広島 Inline & Ice Hockey 通信

インライン練習場 ライン引きボランティア募集 (6/9) [おしらせ]

先週雨天で順延になった新リンクのライン引きですが、

今週末日曜日 8:30~ 行われます。

水曜日に修大と久保運送を中心としたボランティアメンバーで


レッドとブルーラインは引かれましたので

今週末の作業は

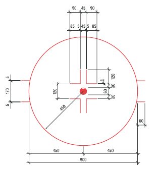
サークル、フェイスオフスポット、ゴールクリーズ、その他細かなラインの描画



フェンス下部(キックボード:黄色い部分)と、フェンス手すりの塗装です。

シンナーを使わない水性アクリル塗料なので、臭いがダメな人もOKですよ。

こんなの描きます




◎ 2013.06.09(日) おしらせ
 インラインホッケー練習場(新リンク ) ライン引きボランティア 8:30~
 http://hihl.ath.cx/hockey/Fx/HIHL05.aspx?code=15248


By HIHL  ( 2013/06/06 06:06) No:2269

 この記事にコメントする  引用してコメントする(返信)



この記事のトラックバックURL      


この記事に対するコメント一覧


広島インラインホッケー協会 広島インラインホッケー通信